Sequence valve
Direct acting sequence valve
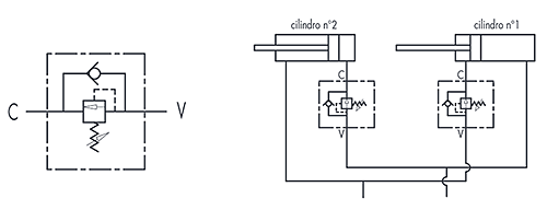
Sequence valve is used to feed 2 cylinders in sequence: it provides flow to the secondary circuit when a primary circuit function has been completed reaching the pressure setting.Return flow is free. It's ideal for circuits with low pressure on the secondary actuator as the pressures add to.
Sizes:
- G 3/8"
- G 1/2"
- G 3/4"
- Hydraulic scheme
For use with 2 actuators, follow the mounting instructions indicated in the scheme. For different uses, mount the valve keeping into consideration that, when the valve reaches the setting pressure, the flow goes from V towards C, whilst flow is free from C to V.








