Overcenter valves

Double acting

kočioni ventil

These valves are used to control actuator's movement and block in both directions in order to enable the following functions:

  • under control descent of a load: load's weight doesn't carry it away, as the valve prevents any cavitations of the actuator
  • limited maximum pressure in case of shocks created by loads, overloads or sudden manoeuvrings(load control with opened centre distributor)






Sizes:

  • G 1/4"
  • G 3/8"
  • G 1/2"
  • G 3/4"
  • Hydraulic scheme

Connect V1 and V2 to the pressure flow, C1 and C2 to the actuator to be controlled. In-line mounting

shema kocionog ventila

Single acting

kočioni ventil

These valves are used to control actuator's movement and block in one direction in order to enable the following functions:

  • under control descent of a load: load's weight doesn't carry it away as the valve prevents any cavitations of the actuator;
  • limited maximum pressure in case of shocks created by loads, overloads or sudden manoeuvrings (load control with opened centre distributor).








Sizes:

  • G 1/4"
  • G 3/8"
  • G 1/2"
  • G 3/4"
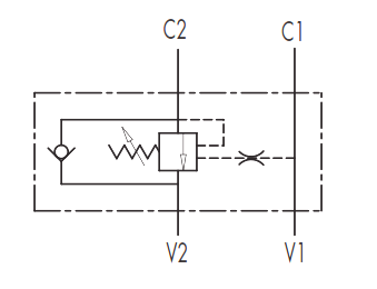
  • Hydraulic scheme

Connect V1 and V2 to the pressure flow, C1 to the free flow side of the actuator and C2 to the actuator's side you want the flow to be blocked. In-line mounting.

kočioni ventil jednostruki