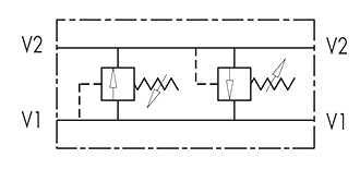
Dual cross relief valve
Dual cross relief valve
Made up by 2 relief valves with crossed tank, this valve is used to block pressure to a certain setting in the 2 ports of an actuator/hydraulic motor. It's ideal to provide protection against sudden shock pressures and to adjust different pressures in the 2 ports of an hydraulic circuit as well.
Sizes:
- G 1/4"
- G 3/8"
- G 1/2"
- G 3/4"
- Hydraulic scheme
Connect V1 and V2 to the pressure flow or to the actuator/hydraulic motor. Vice versa for the remaining ports V1 and V2. Mounting by the actuator is highly recommended in order to avoid pressure drops








