Blokirni ventili
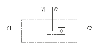
Blokirni jednostruki ventil
Blokirni jednostruki ventil se koristi za blokiranje hidrualičnog cilindra u jednome smijeru.
Protok ulja je slobodan i neometan u jednoj liniji u oba smjera dok udrugoj liniji je blokiran u jednome smjeru, sve do pojave tlaka u suprotnom smjeru.
Dolazi u sljedećim veličinama:
- G 1/4"
- G 3/8"
- G 1/2"
- G 3/4"
- Hidraulična shema
KAKO UGRADITI:
Glavni dovodni vod se spaja na ulaz V1 i V2, ulaz C1 na slobodni dio smjera dok smjer u kojem se želi blokirati smjer ulja se spaja na ulaz C2. Tim načinom se omogučava da ukoliko dođe do pada tlaka u sistemu, hidraulični cilindar ostaje nepomičan sve dok ne dođe do određenog tlaka na ulazu V2 da otvori ventil.
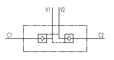
Blokirni ventil - dupli
Blokirni ventil dupli se koristi za blokiranje ulja u oba smijera. Što znači da je protok ulja slobodan u jednome smjeru dok je blokiran u obratnom smjeru sve do aktivacije tlaka. Ovim ventilom se omogučava osiguranje hidrauličnog cilindra u oba smjera.
U slučaju da dođe do pada tlaka u sistemu, hidraulični cilindar ostaje nepomičan.
Dolazi u sljedećim veličinama:
- G 1/4"
- G 3/8"
- G 1/2"
- G 3/4"
- Hidraulična shema
KAKO UGRADITI:
Glavni dovodni vod se spaja na ulaz V1 i V2, ulaz C1 na jedan dio smjera i ulaz C2 na drugi dio smjera hidrauličnog cilindra.
Blokirni ventil dupli - ermeto
Blokirni ventil dupli eremto se koristi u hidrauličnim sistemima za krute cijevi.
Ovaj ventil se koristi za se koristi za blokiranje ulja u oba smijera. Što znači da je protok ulja slobodan u jednome smjeru dok je blokiran u obratnom smjeru sve do aktivacije tlaka. Ovim ventilom se omogučava osiguranje hidrauličnog cilindra u oba smjera.
U slučaju da dođe do pada tlaka u sistemu, hidraulični cilindar ostaje nepomičan.
Dolazi u sljedećim veličinama:
- 10 L
- 12 L
- Hidraulična shema
KAKO UGRADITI:
Glavni dovodni vod se spaja na ulaz V1 i V2, ulaz C1 na jedan dio smjera i ulaz C2 na drugi dio smjera hidrauličnog cilindra.








