- Potporni prsten - DST 110
Potporni prsten DST110 služi za potporu klipnih brtvila profila DK102, DK104...
Dolazi u rasječenoj ili nerasječenoj izvedbi.
Primarna upotreba
Krajnja granica upotrebe
Nije za upotrebu
| min. Temp. | max. Temp. | max. Speed | max. Pressure | Material | |
|---|---|---|---|---|---|
| -50 °C | +100 °C | / | / | / | POM |
| -200 °C | +260 °C | / | / | / | PTFE |
| -50 °C | +115 °C | / | / | / | PA |
| -60 °C | +250 °C | / | / | / | PEEK |
| min. Temp. | max. Temp. | max. Speed | max. Pressure | Material | |
| -30 °C | +110 °C | / | / | / | HPU55°D |
| -30 °C | +110 °C | / | / | / | HPU |
| -30 °C | +110 °C | / | / | / | SL-PU |
| -30 °C | +110 °C | / | / | / | LT-PU |
| -200 °C | +80 °C | / | / | / | UHMW-PE |
*Materijali
- POM
- HPU 55
- PA (Nylon)
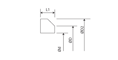
*Dimenzije
- L1
- ∅ d
- ∅ D
- ∅ D2
*Količina
- /



Nazad
ROTBAN - KATALOG HIDRAULIČNIH BRTAVA > preuzeti




