- Klipna brtvila - DK 117
Kompaktno klipno brtvilo od gume sa integriranim vodilicama.
Dobre mogućnosti prilagođavanja na različite temperature i medije.
Primjena kod uskih ugradbenih prostora.
Primarna upotreba
Krajnja granica upotrebe
Nije za upotrebu
| min. Temp. | max. Temp. | max. Speed | max. Pressure | Material/ Back up ring | |
|---|---|---|---|---|---|
| -20 °C | +115 °C | 0,5 m/s | max. 250 bar | HPU 94° | POM/PTFE/PA |
| -20 °C | +115 °C | 0,5 m/s | max. 250 bar | HPU 55° D | POM/PTFE/PA |
| -50 °C | +115 °C | 0,7 m/s | max. 250 bar | SL-PU 94° | POM/PTFE/PA |
| -50 °C | +115 °C | 0,5 m/s | max. 250 bar | LT-PU 94° | POM/PTFE/PA |
| min. Temp. | max. Temp. | max. Speed | max. Pressure | Material /Back up ring | |
| -30 °C | +110 °C | 0,0 m/s | max. 200 bar | NBR 85° | POM/PTFE/PA |
| -20 °C | +150 °C | 0,0 m/s | max. 200 bar | H-NBR 85° | POM/PTFE/PA |
| -20 °C | +220 °C | 0,0 m/s | max. 200 bar | FPM 82° | POM/PTFE/PA |
| -45 °C | +130 °C | 0,0 m/s | max. 200bar | EPDM 85° | POM/PTFE/PA |
| -60 °C | +200 °C | 0,0 m/s | max. 200 bar | MVQ 85° | POM/PTFE/PA |
*Materijali
- HPU/POM
- NBR/POM
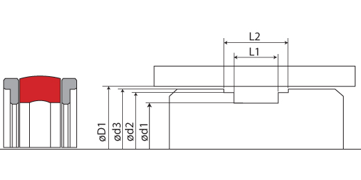
*Dimenzije
- L1
- L2
- ∅ d1
- ∅ d2
- ∅ d3
- ∅ D1
*Količina
- /



Nazad
ROTBAN - KATALOG HIDRAULIČNIH BRTAVA > preuzeti




