• Klipna brtvila - DK 109D
klipna hidraulična brtva dk109d.

Kompaktno klipno brtvilo DK109D sa profiliranim potpornim prstenom i integriranim vodilicama.
Odlično statično brtvljenje sa tri brtveća brida te pružakonstruiranjke klipova vrlo kompaktnih dimenzija.
Pokazuje vrlo visoku trajnost te omogućava primjenu u još zahtjevnijim uvijetima nego kod gotovih brizganih brtvila.




hidraulična brtva klipa DK109
  • Primarna upotreba
  • Krajnja granica upotrebe
  • Nije za upotrebu
min. Temp. max. Temp. max. Speed max. Pressure Material/ Back up ring
-20 °C +115 °C 0,5 m/s max. 400 bar HPU 94° POM/PTFE/PA
-20 °C +115 °C 0,5 m/s max. 400 bar HPU 55° D POM/PTFE/PA
-50 °C +115 °C 0,5 m/s max. 400 bar SL-PU 94° POM/PTFE/PA
-50 °C +115 °C 0,5 m/s max. 400 bar LT-PU 94° POM/PTFE/PA
min. Temp. max. Temp. max. Speed max. Pressure Material /Pre-energizer
-30 °C +110 °C 0,0 m/s max. 000 bar NBR 85°
-20 °C +150 °C 0,0 m/s max. 000 bar H-NBR 85°
-20 °C +220 °C 0,0 m/s max. 000 bar FPM 82°
-45 °C +130 °C 0,0 m/s max. 000bar EPDM 85°
-60 °C +200 °C 0,0 m/s max. 000 bar MVQ 85°
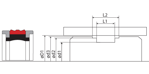
shema utora hidraulične brtve

*Materijali

  • HPU55/NBR/POM
  • HPU/NBR/POM

*Dimenzije

  •     L1
  •     L2
  • ∅ d1
  • ∅ d2
  • ∅ d3
  • ∅ D1

*Količina

  • /