- Statična brtva - DFL 111
Statična brtva DFL ili Q-prsten dolazi sa četri izražena brtvena brida. Namjenjen je za statičko, dinamičko vanjsko, dinamičko unutrašnje i dinamičko rotacijsko brtvljenje elemenata hidrauličkih ili pneumatskih sklopova.
Primarna upotreba
Krajnja granica upotrebe
Nije za upotrebu
| min. Temp. | max. Temp. | max. Speed | max. Pressure | Material | |
|---|---|---|---|---|---|
| -50 °C | +100 °C | / | / | / | HPU |
| -20 °C | +115 °C | / | / | / | HPU55° |
| -20 °C | +110 °C | / | / | / | SL-PU |
| -50 °C | +110 °C | / | / | / | LT-PU |
| min. Temp. | max. Temp. | max. Speed | max. Pressure | Material | |
| -30 °C | +110 °C | / | / | / | NBR |
| -20 °C | +220 °C | / | / | / | FPM |
| -20 °C | +150 °C | / | / | / | H-NBR |
| -45 °C | +130 °C | / | / | / | EPDM |
| -60 °C | +200 °C | / | / | / | MVQ |
*Materijali
- HPU
- NBR
- H-NBR)
- EPDM
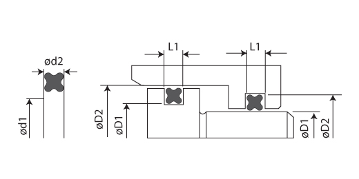
*Dimenzije
- L1
- ∅ d1
- ∅ d2
- ∅ D1
- ∅ D2
*Količina
- /



Nazad
ROTBAN - KATALOG HIDRAULIČNIH BRTAVA > preuzeti




