- Vodeći prsten - DF 107
Sa utorom na unutrašnjem promjeru koristi se najčešće za klipne primjene. Moguća rasječena i nerasječena izvedba..
Primarna upotreba
Krajnja granica upotrebe
Nije za upotrebu
| min. Temp. | max. Temp. | max. Speed | max. Pressure | Material | |
|---|---|---|---|---|---|
| -50 °C | +100 °C | 4 m/s | / | / | POM |
| -200 °C | +260 °C | 5 m/s | / | / | PTFE |
| -50 °C | +115 °C | 4 m/s | / | / | PA |
| -60 °C | +250 °C | 4 m/s | / | / | PEEK |
| min. Temp. | max. Temp. | max. Speed | max. Pressure | Material | |
| -200 °C | +260 °C | 5 m/s | / | / | PTFE filled |
| -200 °C | +80 °C | 4 m/s | / | / | UHMW-PE |
| / | / | / | / | / | / |
| / | / | / | / | / | / |
| / | / | / | / | / | / |
*Materijali
- POM
- PA (Nylon)
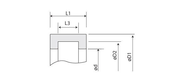
*Dimenzije
- L1
- L3
- ∅ d
- ∅ D1
- ∅ D2
*Količina
- /



Nazad
ROTBAN - KATALOG HIDRAULIČNIH BRTAVA > preuzeti




