- Vodeći prsten - DF 102
Vodeći prsten DF102 konstruiran kao pravokutni prsten namjenjen pravilnom vođenju pokretnih dijelova hidrauličkih i pneumatskih cilindara. Pokazuju izuzetnu trajnost te su rađeni od vrlo kvalitetnog materijala..
Primarna upotreba
Krajnja granica upotrebe
Nije za upotrebu
| min. Temp. | max. Temp. | max. Speed | max. Pressure | Material | |
|---|---|---|---|---|---|
| -50 °C | +100 °C | 4 m/s | / | / | POM |
| -200 °C | +260 °C | 5 m/s | / | / | PTFE |
| -50 °C | +115 °C | 4 m/s | / | / | PA |
| -60 °C | +250 °C | 4 m/s | / | / | PEEK |
| min. Temp. | max. Temp. | max. Speed | max. Pressure | Material | |
| -200 °C | +260 °C | 5 m/s | / | / | PTFE filled |
| -200 °C | +80 °C | 4 m/s | / | / | UHMW-PE |
| / | / | / | / | / | / |
| / | / | / | / | / | / |
| / | / | / | / | / | / |
*Materijali
- POM
- PTFE
- PA (Nylon)
- POLYESTER-resin
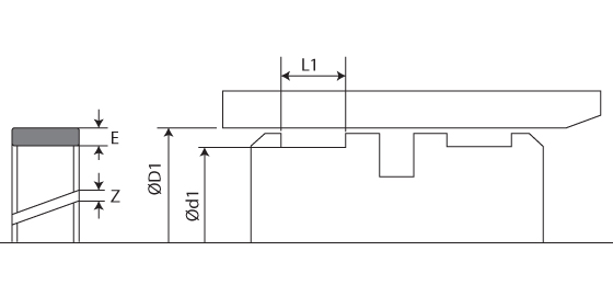
*Dimenzije
- L1
- E
- Z
- ∅ d1
- ∅ D1
*Količina
- /



Nazad
ROTBAN - KATALOG HIDRAULIČNIH BRTAVA > preuzeti




