• Brisač - DA 113
Uloga hidrauličnih brisača je spriječiti ulazak tvrdih čestica nečistoče u hidraulične i pneumatične naprave kao što su cilindri ili ventili.Da bi se spriječio gubitak snage u tlačnom mediju, oštećenje brtve i pokretnih površina ili vodećih osovina.

V - brisač brtva konstruirana za rad pri manjim tlakovima kao sekundarna brisač brtva. Ovakav dizajn brisača je pogodan u uvijetima gdje nema velikih onečišćenja.

Uloga hidrauličnih brisača je spriječiti ulazak tvrdih čestica nečistoče u hidrauličnim i pneumatskim cilindrima.





hidraulični brisač da107
  • Primarna upotreba
  • Krajnja granica upotrebe
  • Nije za upotrebu
min. Temp. max. Temp. max. Speed max. Pressure Material
-20 °C +115 °C 0,5 m/s HPU 94°
-20 °C +115 °C 0,5 m/s HPU 55° D
-50 °C +115 °C 0,5 m/s SL-PU 94°
-50 °C +115 °C 0,5 m/s LT-PU 94°
min. Temp. max. Temp. max. Speed max. Pressure Material
-30 °C +110 °C 0,5 m/s NBR 85°
-20 °C +150 °C 0,5 m/s H-NBR 85°
-20 °C +220 °C 0,5 m/s FPM 82°
-45 °C +130 °C 0,5 m/s EPDM 85°
-60 °C +200 °C 0,4 m/s MVQ 85°
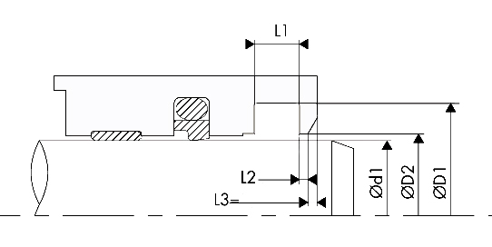
shema utora hidrauličnog brisača

*Materijali

  • HPU
  • NBR
  • H-NBR
  • EPDM
  • FPM
  • MVQ

*Dimenzije

  •     L1
  •     L2
  •     L2
  • ∅ d1
  • ∅ D2
  • ∅ D1

*Količina

  • /